Direkt zum Inhalt

Lexikon der Biologie: Endplatte

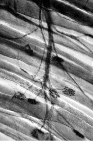
Endplatte, 1) Benennung der Synapsen der motorischen Nervenfasern von Wirbeltieren aufgrund ihrer Form. Diese motorischen Endplatten oder neuromuskulären Endplatten sind die Verbindungsstellen zwischen den Axonen der motorischen Vorderhornzellen und den Skelettmuskelfasern ( vgl. Abb. ) und Übertragungsort für die von den Nervenfasern kommenden elektrischen Impulse (Erregungsleitung). Die Endplatte ist nicht fest mit den Muskelfasern verwachsen, sondern von diesen durch den synaptischen Spalt getrennt (Acetylcholinrezeptor [Abb.], Synapsen). Aus diesem Grunde kann hier die Erregungsübertragung nicht wie bei den elektrischen Synapsen (elektrische Organe) direkt, sondern nur mit Hilfe von chemischen Überträgerstoffen (Transmitter) erfolgen. Diese Neurotransmitter (z.B. Acetylcholin, Adrenalin, Noradrenalin, γ-Aminobuttersäure [GABA], Glycin, Aspartat, Dopamin, Serotonin sowie einige Nucleotide) sind in synaptischen Bläschen (Vesikel) gespeichert und werden bei Erregung der Synapse freigesetzt. Nach Diffusion durch den synaptischen Spalt binden diese an spezifische Rezeptoren der postsynaptischen Membran und lösen hier ein Generatorpotential aus, das sich entlang der postsynaptischen Membran ausbreitet und an deren Ende zur Entstehung eines Aktionspotentials und damit zur Erregung der Muskelfaser führt. Endplattenrauschen, erregendes postsynaptisches Potential, Kühne (W.F.), Muskelkontraktion, Muskelzuckung; Nervenzelle I, Regelung im Organismus. 2)Bakteriophagen (Farbtafel).



Endplatte

Lichtmikroskopische Aufnahme von neuromuskulären Verbindungen (Motoneuron–Muskelzelle) über motorische Endplatten

  • Die Autoren
Redaktion

Rolf Sauermost (Projektleiter)
Doris Freudig (Redakteurin)

Erweiterte Redaktion

Dr. Michael Bonk (Assistenz)
Dr. Andreas Sendtko (Assistenz)
Dr. Helmut Genaust (Etymologische Bearbeitung)
Dr. Claudia Gack (Bildtafelredaktion)

Grafik:

Hermann Bausch
Dr. Michael Bonk (EDV)
Wolfgang Hanns
Laura C. Hartmann (EDV)
Professor Dr. Rüdiger Hartmann (EDV)
Klaus Hemmann
Manfred Himmler
Rudolf Kempf (EDV)
Martin Lay (EDV)
Rolf Sauermost (EDV)
Dr. Richard Schmid
Hanns Strub
Melanie Waigand-Brauner (EDV)

CD-ROM-Ausgabe:

Doris Freudig (Redaktion und Konzeption)
Richard Zinken (Beratung)

Berater

Prof. Dr. Arno Bogenrieder (Botanik)
Prof. Dr. Klaus-Günter Collatz (Zoologie)
Prof. Dr. Hans Kössel (†) (Biochemie, Molekularbiologie)
Prof. Dr. Uwe Maier (Biochemie, Molekularbiologie)
Prof. Dr. Günther Osche (Zoologie)
Prof. Dr. Georg Schön (Mikrobiologie)

Autoren

[abc] [def] [ghi] [jkl] [mno] [pqr] [stuv] [wxyz]

Anhäuser, Marcus (M.A.)
Arnheim, Dr. Katharina (K.A.)
Becker-Follmann, Dr. Johannes (J.B.-F.)
Bensel, Dr. Joachim (J.Be.)
Bergfeld (†), Dr. Rainer (R.B.)
Berthold, Prof. Dr. Peter (P.B.)
Bogenrieder, Prof. Dr. Arno (A.B.)
Bohrmann, PD Dr. Johannes (J.B.)
Bonk, Dr. Michael (M.B.)
Born, Prof. Dr. Jan (J.Bo.)
Braun, Andreas (A.Br.)
Bürger, Prof. Dr. Renate (R.Bü.)
Cassada, Dr. Randall (R.C.)
Collatz, Prof. Dr. Klaus-Günter (K.-G.C.)
Culmsee, Dr. Carsten (C.C.)
Drews, Dr. Martina (M.D.)
Drossé, Inke (I.D.)
Duell-Pfaff, Dr. Nixe (N.D.)
Duffner, Dr. Klaus (K.D.)
Eibl-Eibesfeldt, Prof. Dr. Irenäus (I.E.)
Eisenhaber, Dr. Frank (F.E.)
Emschermann, Dr. Peter (P.E.)
Engelbrecht, Beate (B.E.)
Engeser, PD Dr. Theo (T.E.)
Eurich, Dr. Christian (C.E.)
Ewig, Bettina (B.Ew.)
Fässler, Dr. Peter (P.F.)
Fehrenbach, Dr. Heinz (H.F.)
Fix, Dr. Michael (M.F.)
Flemming, Alexandra (A.F.)
Franzen, Dr. Jens Lorenz (J.F.)
Freudig, Doris (D.F.)
Gack, Dr. Claudia (C.G.)
Gallenmüller, Dr. Friederike (F.G.)
Ganter, Sabine (S.G.)
Gärtig, Susanne (S.Gä.)
Gärtner, PD Dr. Wolfgang (W.G.)
Gassen, Prof. Dr. Hans-Günter
Geinitz, Christian (Ch.G.)
Genth, Dr. Harald (H.G.)
Gläser, Dr. Birgitta (B.G.)
Götting, Prof. Dr. Klaus-Jürgen (K.-J.G.)
Grasser, Dr. habil. Klaus (K.G.)
Grieß, Dr. Eike (E.G.)
Grüttner, Dr. Astrid (A.G.)
Häbe, Martina (M.Hä.)
Haken, Prof. Dr. Hermann
Hanser, Dr. Hartwig (H.Ha.)
Harder, Deane Lee (D.Ha.)
Hartmann, Prof. Dr. Rüdiger (R.H.)
Hassenstein, Prof. Dr. Bernhard (B.H.)
Haug-Schnabel, PD Dr. Gabriele (G.H.-S.)
Hemminger, Dr. habil. Hansjörg (H.H.)
Herbstritt, Dr. Lydia (L.H.)
Hobom, Dr. Barbara (B.Ho.)
Hoffrichter, Dr. Odwin (O.H.)
Hohl, Dr. Michael (M.H.)
Hoos, Katrin (K.H.)
Horn, Dagmar (D.H.)
Horn, Prof. Dr. Eberhard (E.H.)
Huber, Christoph (Ch.H.)
Huber, Dr. Gerhard (G.H.)
Huber, Prof. Dr. Robert
Hug, Dr. Agnes M. (A.H.)
Illerhaus, Dr. Jürgen (J.I.)
Illes, Prof. Dr. Peter (P.I.)
Illing, Prof. Dr. Robert-Benjamin (R.B.I.)
Irmer, Juliette (J.Ir.)
Jaekel, Dr. Karsten
Jäger, Dr. Rudolf
Jahn, Dr. Ilse
Jahn, Prof. Dr. Theo (T.J.)
Jendritzky, Prof. Dr. Gerd (G.J.)
Jendrsczok, Dr. Christine (Ch.J.)
Jerecic, Renate (R.J.)
Jordan, Dr. Elke (E.J.)
Just, Dr. Lothar (L.J.)
Just, Margit (M.J.)
Kary, Michael (M.K.)
Kaspar, Dr. Robert
Kattmann, Prof. Dr. Ulrich (U.K.)
Kindt, Silvan (S.Ki.)
Kirchner, Prof. Dr. Wolfgang (W.K.)
Kirkilionis, Dr. Evelin (E.K.)
Kislinger, Claudia (C.K.)
Klein-Hollerbach, Dr. Richard (R.K.)
Klonk, Dr. Sabine (S.Kl.)
Kluge, Prof. Dr. Friedrich (F.K.)
König, Dr. Susanne (S.Kö.)
Körner, Dr. Helge (H.Kör.)
Kössel (†), Prof. Dr. Hans (H.K.)
Kühnle, Ralph (R.Kü.)
Kuss (†), Prof. Dr. Siegfried (S.K.)
Kyrieleis, Armin (A.K.)
Lahrtz, Stephanie (S.L.)
Lamparski, Prof. Dr. Franz (F.L.)
Landgraf, Dr. Uta (U.L.)
Lange, Prof. Dr. Herbert (H.L.)
Lange, Jörg
Langer, Dr. Bernd (B.La.)
Larbolette, Dr. Oliver (O.L.)
Laurien-Kehnen, Dr. Claudia (C.L.)
Lay, Dr. Martin (M.L.)
Lechner-Ssymank, Brigitte (B.Le.)
Leinberger, Annette (A.L.)
Leven, Prof. Franz-Josef (F.J.L.)
Liedvogel, Prof. Dr. Bodo (B.L.)
Littke, Dr. habil. Walter (W.L.)
Loher, Prof. Dr. Werner (W.Lo.)
Lützenkirchen, Dr. Günter (G.L.)
Mack, Dr. Frank (F.M.)
Mahner, Dr. Martin (M.Ma.)
Maier, PD Dr. Rainer (R.M.)
Maier, Prof. Dr. Uwe (U.M.)
Marksitzer, Dr. René (R.Ma.)
Markus, Prof. Dr. Mario (M.M.)
Martin, Dr. Stefan (S.Ma.)
Medicus, Dr. Gerhard (G.M.)
Mehler, Ludwig (L.M.)
Mehraein, Dr. Susan (S.Me.)
Meier, Kirstin (K.M.)
Meineke, Sigrid (S.M.)
Mohr, Prof. Dr. Hans (H.M.)
Mosbrugger, Prof. Dr. Volker (V.M.)
Mühlhäusler, Andrea (A.M.)
Müller, Dr. Ralph (R.Mü.)
Müller, Ulrich (U.Mü.)
Müller, Wolfgang Harry (W.H.M.)
Murmann-Kristen, Dr. Luise (L.Mu.)
Mutke, Jens (J.M.)
Narberhaus, Ingo (I.N.)
Neub, Dr. Martin (M.N.)
Neumann, Dr. Harald (H.Ne.)
Neumann, Prof. Dr. Herbert (H.N.)
Nick, PD Dr. Peter (P.N.)
Nörenberg, Prof. Dr. Wolfgang (W.N.)
Nübler-Jung, Prof. Dr. Katharina (K.N.)
Oehler, Prof. Dr. Jochen (J.Oe.)
Oelze, Prof. Dr. Jürgen (J.O.)
Olenik, Dr. Claudia (C.O.)
Osche, Prof. Dr. Günther (G.O.)
Panesar, Arne Raj
Panholzer, Bärbel (B.P.)
Paul, PD Dr. Andreas (A.P.)
Paulus, Prof. Dr. Hannes (H.P.)
Pfaff, Dr. Winfried (W.P.)
Pickenhain, Prof. Dr. Lothar (L.P.)
Probst, Dr. Oliver (O.P.)
Ramstetter, Dr. Elisabeth (E.R.)
Ravati, Alexander (A.R.)
Rehfeld, Dr. Klaus (K.Re.)
Reiner, Dr. Susann Annette (S.R.)
Riede, Dr. habil. Klaus (K.R.)
Riegraf, Dr. Wolfgang (W.R.)
Riemann, Prof. Dr. Dieter
Roth, Prof. Dr. Gerhard
Rübsamen-Waigmann, Prof. Dr. Helga
Sachße (†), Dr. Hanns (H.S.)
Sander, Prof. Dr. Klaus (K.S.)
Sauer, Prof. Dr. Peter (P.S.)
Sauermost, Elisabeth (E.Sa.)
Sauermost, Rolf (R.S.)
Schaller, Prof. Dr. Friedrich
Schaub, Prof. Dr. Günter A. (G.Sb.)
Schickinger, Dr. Jürgen (J.S.)
Schindler, Dr. Franz (F.S.)
Schindler, Dr. Thomas (T.S.)
Schley, Yvonne (Y.S.)
Schling-Brodersen, Dr. Uschi
Schmeller, Dr. Dirk (D.S.)
Schmitt, Prof. Dr. Michael (M.S.)
Schmuck, Dr. Thomas (T.Schm.)
Scholtyssek, Christine (Ch.S.)
Schön, Prof. Dr. Georg (G.S.)
Schönwiese, Prof. Dr. Christian-Dietrich (C.-D.S.)
Schwarz, PD Dr. Elisabeth (E.S.)
Seibt, Dr. Uta
Sendtko, Dr. Andreas (A.Se.)
Sitte, Prof. Dr. Peter
Spatz, Prof. Dr. Hanns-Christof (H.-C.S.)
Speck, Prof. Dr. Thomas (T.Sp.)
Ssymank, Dr. Axel (A.S.)
Starck, PD Dr. Matthias (M.St.)
Steffny, Herbert (H.St.)
Sternberg, Dr. Klaus (K.St.)
Stöckli, Dr. Esther (E.St.)
Streit, Prof. Dr. Bruno (B.St.)
Strittmatter, PD Dr. Günter (G.St.)
Stürzel, Dr. Frank (F.St.)
Sudhaus, Prof. Dr. Walter (W.S.)
Tewes, Prof. Dr. Uwe
Theopold, Dr. Ulrich (U.T.)
Uhl, Dr. Gabriele (G.U.)
Unsicker, Prof. Dr. Klaus (K.U.)
Vaas, Rüdiger (R.V.)
Vogt, Prof. Dr. Joachim (J.V.)
Vollmer, Prof. Dr. Dr. Gerhard (G.V.)
Wagner, Prof. Dr. Edgar (E.W.)
Wagner, Eva-Maria
Wagner, Thomas (T.W.)
Wandtner, Dr. Reinhard (R.Wa.)
Warnke-Grüttner, Dr. Raimund (R.W.)
Weber, Dr. Manfred (M.W.)
Wegener, Dr. Dorothee (D.W.)
Weth, Dr. Robert (R.We.)
Weyand, Anne (A.W.)
Weygoldt, Prof. Dr. Peter (P.W.)
Wicht, PD Dr. Helmut (H.Wi.)
Wickler, Prof. Dr. Wolfgang
Wild, Dr. Rupert (R.Wi.)
Wilker, Lars (L.W.)
Wilmanns, Prof. Dr. Otti
Wilps, Dr. Hans (H.W.)
Winkler-Oswatitsch, Dr. Ruthild (R.W.-O.)
Wirth, Dr. Ulrich (U.W.)
Wirth, Prof. Dr. Volkmar (V.W.)
Wolf, Dr. Matthias (M.Wo.)
Wuketits, Prof. Dr. Franz M. (F.W.)
Wülker, Prof. Dr. Wolfgang (W.W.)
Zähringer, Dr. Harald (H.Z.)
Zeltz, Dr. Patric (P.Z.)
Ziegler, Prof. Dr. Hubert
Ziegler, Dr. Reinhard (R.Z.)
Zimmermann, Prof. Dr. Manfred
Zissler, Dr. Dieter (D.Z.)
Zöller, Thomas (T.Z.)
Zompro, Dr. Oliver (O.Z.)

Schreiben Sie uns!

Wenn Sie inhaltliche Anmerkungen zu diesem Artikel haben, können Sie die Redaktion per E-Mail informieren. Wir lesen Ihre Zuschrift, bitten jedoch um Verständnis, dass wir nicht jede beantworten können.

Partnerinhalte

Bitte erlauben Sie Javascript, um die volle Funktionalität von Spektrum.de zu erhalten.