Lexikon der Geowissenschaften: Ozonabbau
Ozonabbau, der Sammelbegriff für die physikalisch-chemischen Prozesse, durch die Ozon zerstört wird. Der wirksamste Prozeß ist die Photolyse bei Wellenlängen λ 850 nm:
O3+hν→O2+O,
die in der Stratosphäre jedoch nicht zu echtem Ozonabbau führt, denn die Konzentration der Sauerstoffatome ist so groß, daß sie durch Reaktion mit molekularem Sauerstoff vergleichbare Mengen von Ozon zurückbildet:
O+O2+M→O3+M.
M ist ein neutrales Molekül. Ein echter Ozonabbau erfolgt in Gegenwart von Sonnenlicht nur, wenn Reaktionen ablaufen, die die Konzentration von O-Atomen und Ozon (Ox genannt) gleichzeitig reduzieren. Als wichtigste Abbaureaktion wurde bereits 1930 von S. Chapman die Reaktion:
O+O3→O2+O2
vorgeschlagen. Sie ist allein aber nicht wirksam genug, die Ozonbildung auszugleichen. Reaktionen, die sich allgemein als katalytischer Zyklus formulieren lassen, in einfachster Form z.B.:
O3+X→XO+O2
O+XO→X+O2
tragen zusätzlich zum Ozonabbau bei. Mit X sind dabei die Radikale HO (Hydroxylradikal) und NO (Stickoxid) sowie das Chlorradikal Cl und das Bromradikal Br bezeichnet. Sie werden nicht verbraucht und wirken deshalb als Katalysatoren des Ozonabbaus. Der Nettoeffekt dieser Reaktionszyklen ist jeweils die Rekombinationsreaktion von Sauerstoffatomen mit Ozon. Die direkte Wirkung der einzelnen katalytischen Reaktionszyklen ist begrenzt, da die Radikale auch mit anderen Spurengasen oder untereinander reagieren:
ClO+NO2→ClONO2
Cl+CH4→HCl+CH3
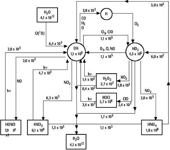
und dadurch nicht mehr direkt am katalytischen Ozonabbau teilnehmen. Produkte solcher Kopplungsreaktionen (z.B. ClONO2=Chlornitrat bzw. HCl=Chlorwasserstoff), die chemisch weniger reaktiv sind, werden Reservoirgase genannt, da sie die reaktiven Radikale speichern. Die Gruppen der reaktiven Gase und der Reservoirgase, die die Konzentration der einzelnen Radikalpaare (X, XO) bestimmen, bezeichnet man als Spurengasfamilien ( Tab.). In dem komplexen System der stratosphärischen Chemie sind die Konzentrationen der einzelnen Komponenten der Spurengasfamilien durch viele Reaktionen bestimmt ( Abb. 1, Abb. 2, Abb. 3). Radikale werden durch photochemische Reaktionen ihrer sog. Quellgase, z.B. Wasserdampf (für OH), Lachgas (für NO) und verschiedene halogenierter Kohlenwasserstoffe (für Cl und Br) freigesetzt. Da insbesondere die Konzentration der FCKW infolge anthropogener Emissionen zugenommen hat, ist die mittlere Konzentration der Komponenten der Chlorfamilie angestiegen. Dieser Anstieg verstärkt den Ozonabbau relativ zur Ozonbildung. Numerische Berechnungen mit chemischen Reaktionsmodellen sagten als Folge dieses Anstiegs eine deutliche Abnahme der mittleren globalen Ozonkonzentration insbesondere in 40 km Höhe voraus, die durch Satellitenbeobachtungen mittlerweile bestätigt worden ist. Als Folge heterogener Reaktionen können in sehr kalten Regionen (t -80ºC) in der unteren Stratosphäre die reaktiven Komponenten verstärkt aus den Reservoirgasen freigesetzt werden und den Ozonabbau in einer Luftmasse beschleunigen, z.B. im Ozonloch. In der Troposphäre führt die Photolyse zu einem echten Ozonabbau, denn die Konzentration der Sauerstoffatome ist um mehrere Größenordnungen geringer als in der Stratosphäre. Weitere Abbauprozesse sind photochemische Reaktionen (v.a. mit Stickoxiden und ungesättigten Kohlenwasserstoffen) und insbesondere die trockene Deposition am Erdboden. Neuere Forschungsarbeiten haben gezeigt, daß Ozon in der planetaren Grenzschicht über den Ozeanen in Gegenwart von Aerosolen (insbesondere von Seesalzteilchen) auch durch heterogene Reaktionen mit Bromverbindungen abgebaut werden kann. [USch]
Ozonabbau 1: Schema der HOx-Chemie in der Stratosphäre. Die Zahlen geben die mittleren Konzentrationen (cm-3) bzw. die Umsatzraten der photochemischen Reaktionen (cm-3s-1) an. Ozonabbau 1:

Ozonabbau 2: Schema der NOx-Chemie in der Stratosphäre. Die Zahlen geben die mittleren Konzentrationen (cm-3) bzw. die Umsatzraten der photochemischen Reaktionen (cm-3s-1) an. Ozonabbau 2:

Ozonabbau 3: Schema der Clx-Chemie in der Stratosphäre. Die Zahlen geben die mittleren Konzentrationen (cm-3) bzw. die Umsatzraten der photochemischen Reaktionen (cm-3s-1) an. Ozonabbau 3:

Ozonabbau (Tab.): Spurengasfamilien. Ozonabbau (Tab.):

Wenn Sie inhaltliche Anmerkungen zu diesem Artikel haben, können Sie die Redaktion per E-Mail informieren. Wir lesen Ihre Zuschrift, bitten jedoch um Verständnis, dass wir nicht jede beantworten können.