Lexikon der Optik: Photometer
Photometer, Gerät zur Messung photometrischer Größen. Man unterscheidet visuelle und physikalische P.
1) Visuelle P. Diese haben für die eigentliche Lichtmessung keine Bedeutung mehr. Anwendung finden visuelle Meßmethoden nur noch zur Untersuchung der Eigenschaften des menschlichen Gesichtssinnes, da bei ihnen Lichtreize mit dem Auge quantitativ verglichen werden.
Mit dem Auge kann nur die Gleichheit des Helligkeitseindruckes benachbarter Flächen oder ihres Kontrastes gegenüber einem gleichmäßig ausgeleuchteten Umfeld eingestellt werden. Deshalb enthalten diese P. Einrichtungen zur Schwächung eines der beiden Teillichtströme. Wichtig für visuelle Verfahren ist die Güte des Photometerfeldes; es kommt insbesondere darauf an, daß beide Vergleichsflächen sehr scharf aneinander grenzen.
Bedeutungsvoll für die Entwicklung der visuellen Photometrie war der Lummer-Brodhun-Würfel, der bei visuellen P. das Gesichtsfeld bildet. Er hat die Aufgabe, zwei Leuchtdichten unmittelbar benachbart dem Beobachterauge darzubieten. Er besteht aus zwei 90°-Glasprismen, die mit ihren Hypothenusenflächen aneinandergesprengt sind (Abb. 1). Die Kontaktfläche ist so eingerichtet, daß sie teilweise optischen Kontakt liefert, teilweise aber totalreflektiert. Die Totalreflexion wird durch Aussparungen im Glas erreicht (Abb. 1, Feld a). Bei Messungen ist das Licht der einen Lampe so lange zu schwächen, bis die Trennungslinie verschwindet.
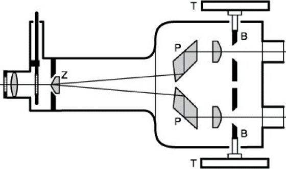
Ein sehr handliches Universalphotometer war das Pulfrich-Photometer, auch Stufenphotometer genannt. Die beiden zu vergleichenden Lichtströme leuchten zwei Blendenöffnungen, die Eintrittspupillen zweier Objektive, gleichmäßig aus (Abb. 2). Die Blendenöffnungen B sind in ihrer Größe mittels zweier Meßtrommeln T meßbar veränderlich und werden über Umlenkprismen P und ein Zwillingsprisma Z (Gesichtsfeld) in der Augenpupille abgebildet. Eine Veränderung der Blendenöffnung ändert das Öffnungsverhältnis des Auges und damit den Helligkeitseindruck.
2) Physikalische P. Dies sind Meßgeräte zur Lichtmessung unter Verwendung lichtempfindlicher physikalischer Empfänger (Photozellen, Photowiderstände, Photoelemente). Physikalische P. bestehen im allgemeinen aus dem Photometerkopf, dem Meßumformer und dem Ausgabegerät. Die spezifische Ausführung des Photometerkopfes ermöglicht es, unterschiedliche photometrische Größen zu messen, so daß danach verschiedene Geräteklassen unterschieden werden wie Beleuchtungsstärkemesser (Beleuchtungsmesser) und Leuchtdichtemesser. Unter Berücksichtigung geometrischer Bedingungen (Abstand Lichtquelle-Empfänger, Öffnungswinkel) sind auch Lichtstärkemessungen möglich. Als Bestandteil von Meßeinrichtungen wie Kugelphotometern und Goniophotometern dienen P. zur Bestimmung des Lichtstromes bzw. der Aufnahme der räumlichen Lichtstärkeverteilung von Lichtquellen.
Der Photometerkopf besteht aus dem lichtempfindlichen Empfänger und Einrichtungen zur Anpassung der spektralen Empfindlichkeit des Empfängers an die Augenempfindlichkeit V(λ) (→V(λ)-Anpassung) oder an eine andere spektrale Bewertungsfunktion. Er kann Vorrichtungen zur richtungsabhängigen Bewertung des Lichtes, z.B. der kosinusgetreuen Bewertung enthalten (Beleuchtungsmesser).
Wesentliche Merkmale, die die Einsatzfähigkeit und die Güte von P. bestimmen, sind die V(λ)-Anpassung, die richtungsabhängige Bewertung, die Linearität der Anzeige, der zulässige Bereich der Modulationsfrequenz bei der Bewertung von moduliertem Licht und die Temperaturabhängigkeit.

Photometer 1: Photometerwürfel. Links Schnitt, rechts Gesichtsfeld.

Wenn Sie inhaltliche Anmerkungen zu diesem Artikel haben, können Sie die Redaktion per E-Mail informieren. Wir lesen Ihre Zuschrift, bitten jedoch um Verständnis, dass wir nicht jede beantworten können.