Direkt zum Inhalt

Lexikon der Physik: Ionenätzen

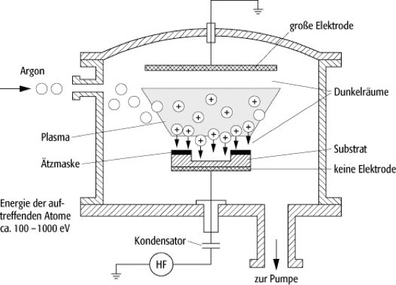
Ionenätzen, das Abtragen von Oberflächenatomen und Verunreinigungen an der Oberfläche eines Festkörpers durch Kontakt mit Ionen. Das Ionenätzen kann durch Eintauchen der Probe in ein Plasma erfolgen, oder die Probe kann einem Ionenstrahl ausgesetzt werden. Man unterscheidet rein physikalische Ionenätzverfahren (Sputterätzen, Ionenstrahlätzen) und physikalisch-chemische Ätzmethoden (reaktives Ionenätzen, reaktives Ionenstrahlätzen).

Beim Sputterätzen (IE, Ion Etching) werden die in einer Gasentladung produzierten Inertionen (z.B. Edelgasionen) auf das Substrat beschleunigt, welches mit dem Plasma in Berührung steht. Das Plasma wird in einem Parallel-Platten-Reaktor erzeugt. Prinzipiell ähnlich funktioniert das Ionenstrahlätzen (IBE, Ion Beam Etching), nur werden hierbei die Ionen mit einer Ionenkanone auf das Substrat beschleunigt. Plasma und Substrat sind räumlich getrennt. Der Abtrag erfolgt durch reines ›Absputtern‹. Die Selektivität beider Verfahren ist gering, das Ätzverhalten stark anisotrop.Reaktives Ionenätzen (RIE, Reactive Ion Etching) nutzt in verdünnten Plasmen enthaltene Spezies (z.B. Halogen-Ionen) und erzeugt durch eine eingeprägte Beschleunigungsspannung eine gerichtete Bewegung der Ionen auf das Substrat. Bei der Gasentladung entstehen im RIE sowohl reaktive Ionen, reaktive neutrale Radikale und inerte Ionen. Die Ätzung setzt sich folglich durch den Angriff mehrerer Spezies zusammen. Beim reaktiven Ionenstrahlätzen (RIBE, Reactive Ion Beam Etching) findet der Beschuß des Substrats durch reaktive Ionen statt. Beide Verfahren arbeiten isotrop bis anisotrop, die Selektivität ist hoch.

Als weiteres, chemisches Trockenätzverfahren sei das Plasmaätzen genannt, welches hauptsächlich freie Radikale als Ätzmedien verwendet.



Ionenätzen: Prinzipaufbau einer Ionenätzanlage (Parallel-Platten-Reaktor).

  • Die Autoren
Mitarbeiter Band I und II

Redaktion:

Silvia Barnert
Dr. Matthias Delbrück
Dr. Reinald Eis
Natalie Fischer
Walter Greulich (Schriftleiter)
Carsten Heinisch
Sonja Nagel
Dr. Gunnar Radons
MS (Optics) Lynn Schilling-Benz
Dr. Joachim Schüller

Mitarbeiter Band III

Redaktion:

Christine Weber
Ulrich Kilian

Autoren (A) und Berater (B):

In eckigen Klammern steht das Autorenkürzel, die Zahl in der runden Klammer ist die Fachgebietsnummer; eine Liste der Fachgebiete findet sich im Vorwort.

Katja Bammel, Berlin [KB2] (A) (13)
Prof. Dr. W. Bauhofer, Hamburg (B) (20, 22)
Sabine Baumann, Heidelberg [SB] (A) (26)
Dr. Günther Beikert, Viernheim [GB1] (A) (04, 10, 25)
Prof. Dr. Hans Berckhemer, Frankfurt [HB1] (A, B) (29)
Prof. Dr. Klaus Bethge, Frankfurt (B) (18)
Prof. Tamás S. Biró, Budapest [TB2] (A) (15)
Dr. Thomas Bührke, Leimen [TB] (A) (32)
Angela Burchard, Genf [AB] (A) (20, 22)
Dr. Matthias Delbrück, Dossenheim [MD] (A) (12, 24, 29)
Dr. Wolfgang Eisenberg, Leipzig [WE] (A) (15)
Dr. Frank Eisenhaber, Heidelberg [FE] (A) (27; Essay Biophysik)
Dr. Roger Erb, Kassel [RE1] (A) (33)
Dr. Angelika Fallert-Müller, Groß-Zimmern [AFM] (A) (16, 26)
Dr. Andreas Faulstich, Oberkochen [AF4] (A) (Essay Adaptive Optik)
Prof. Dr. Rudolf Feile, Darmstadt (B) (20, 22)
Stephan Fichtner, Dossenheim [SF] (A) (31)
Dr. Thomas Filk, Freiburg [TF3] (A) (10, 15)
Natalie Fischer, Dossenheim [NF] (A) (32)
Prof. Dr. Klaus Fredenhagen, Hamburg [KF2] (A) (Essay Algebraische Quantenfeldtheorie)
Thomas Fuhrmann, Heidelberg [TF1] (A) (14)
Christian Fulda, Heidelberg [CF] (A) (07)
Frank Gabler, Frankfurt [FG1] (A) (22; Essay Datenverarbeitungssysteme künftiger Hochenergie- und Schwerionen-Experimente)
Dr. Harald Genz, Darmstadt [HG1] (A) (18)
Michael Gerding, Kühlungsborn [MG2] (A) (13)
Andrea Greiner, Heidelberg [AG1] (A) (06)
Uwe Grigoleit, Göttingen [UG] (A) (13)
Prof. Dr. Michael Grodzicki, Salzburg [MG1] (A, B) (01, 16; Essay Dichtefunktionaltheorie)
Prof. Dr. Hellmut Haberland, Freiburg [HH4] (A) (Essay Clusterphysik)
Dr. Andreas Heilmann, Chemnitz [AH1] (A) (20, 21)
Carsten Heinisch, Kaiserslautern [CH] (A) (03)
Dr. Hermann Hinsch, Heidelberg [HH2] (A) (22)
Jens Hoerner, Hannover [JH] (A) (20)
Dr. Dieter Hoffmann, Berlin [DH2] (A, B) (02)
Renate Jerecic, Heidelberg [RJ] (A) (28)
Dr. Ulrich Kilian, Hamburg [UK] (A) (19)
Thomas Kluge, Mainz [TK] (A) (20)
Achim Knoll, Straßburg [AK1] (A) (20)
Andreas Kohlmann, Heidelberg [AK2] (A) (29)
Dr. Barbara Kopff, Heidelberg [BK2] (A) (26)
Dr. Bernd Krause, Karlsruhe [BK1] (A) (19)
Ralph Kühnle, Heidelberg [RK1] (A) (05)
Dr. Andreas Markwitz, Dresden [AM1] (A) (21)
Holger Mathiszik, Bensheim [HM3] (A) (29)
Mathias Mertens, Mainz [MM1] (A) (15)
Dr. Dirk Metzger, Mannheim [DM] (A) (07)
Dr. Rudi Michalak, Warwick, UK [RM1] (A) (23)
Helmut Milde, Dresden [HM1] (A) (09; Essay Akustik)
Guenter Milde, Dresden [GM1] (A) (12)
Maritha Milde, Dresden [MM2] (A) (12)
Dr. Christopher Monroe, Boulder, USA [CM] (A) (Essay Atom- und Ionenfallen)
Dr. Andreas Müller, Kiel [AM2] (A) (33; Essay Alltagsphysik)
Dr. Nikolaus Nestle, Regensburg [NN] (A) (05)
Dr. Thomas Otto, Genf [TO] (A) (06; Essay Analytische Mechanik)
Prof. Dr. Harry Paul, Berlin [HP] (A) (13)
Cand. Phys. Christof Pflumm, Karlsruhe [CP] (A) (06, 08)
Prof. Dr. Ulrich Platt, Heidelberg [UP] (A) (Essay Atmosphäre)
Dr. Oliver Probst, Monterrey, Mexico [OP] (A) (30)
Dr. Roland Andreas Puntigam, München [RAP] (A) (14; Essay Allgemeine Relativitätstheorie)
Dr. Gunnar Radons, Mannheim [GR1] (A) (01, 02, 32)
Prof. Dr. Günter Radons, Stuttgart [GR2] (A) (11)
Oliver Rattunde, Freiburg [OR2] (A) (16; Essay Clusterphysik)
Dr. Karl-Henning Rehren, Göttingen [KHR] (A) (Essay Algebraische Quantenfeldtheorie)
Ingrid Reiser, Manhattan, USA [IR] (A) (16)
Dr. Uwe Renner, Leipzig [UR] (A) (10)
Dr. Ursula Resch-Esser, Berlin [URE] (A) (21)
Prof. Dr. Hermann Rietschel, Karlsruhe [HR1] (A, B) (23)
Dr. Peter Oliver Roll, Mainz [OR1] (A, B) (04, 15; Essay Distributionen)
Hans-Jörg Rutsch, Heidelberg [HJR] (A) (29)
Dr. Margit Sarstedt, Newcastle upon Tyne, UK [MS2] (A) (25)
Rolf Sauermost, Waldkirch [RS1] (A) (02)
Prof. Dr. Arthur Scharmann, Gießen (B) (06, 20)
Dr. Arne Schirrmacher, München [AS5] (A) (02)
Christina Schmitt, Freiburg [CS] (A) (16)
Cand. Phys. Jörg Schuler, Karlsruhe [JS1] (A) (06, 08)
Dr. Joachim Schüller, Mainz [JS2] (A) (10; Essay Analytische Mechanik)
Prof. Dr. Heinz-Georg Schuster, Kiel [HGS] (A, B) (11; Essay Chaos)
Richard Schwalbach, Mainz [RS2] (A) (17)
Prof. Dr. Klaus Stierstadt, München [KS] (A, B) (07, 20)
Cornelius Suchy, Brüssel [CS2] (A) (20)
William J. Thompson, Chapel Hill, USA [WJT] (A) (Essay Computer in der Physik)
Dr. Thomas Volkmann, Köln [TV] (A) (20)
Dipl.-Geophys. Rolf vom Stein, Köln [RVS] (A) (29)
Patrick Voss-de Haan, Mainz [PVDH] (A) (17)
Thomas Wagner, Heidelberg [TW2] (A) (29; Essay Atmosphäre)
Manfred Weber, Frankfurt [MW1] (A) (28)
Markus Wenke, Heidelberg [MW3] (A) (15)
Prof. Dr. David Wineland, Boulder, USA [DW] (A) (Essay Atom- und Ionenfallen)
Dr. Harald Wirth, Saint Genis-Pouilly, F [HW1] (A) (20)Steffen Wolf, Freiburg [SW] (A) (16)
Dr. Michael Zillgitt, Frankfurt [MZ] (A) (02)
Prof. Dr. Helmut Zimmermann, Jena [HZ] (A) (32)
Dr. Kai Zuber, Dortmund [KZ] (A) (19)

Mitarbeiter Band IV

Dr. Ulrich Kilian (verantwortlich)
Christine Weber

Redaktionsassistenz:

Matthias Beurer

Physikhistorische Beratung:

Priv.-Doz. Dr. Dieter Hoffmann, Berlin

Autoren (A) und Berater (B):

In eckigen Klammern steht das Autorenkürzel, die Zahl in der runden Klammer ist die Fachgebietsnummer; eine Liste der Fachgebiete findet sich im Vorwort.

Markus Aspelmeyer, München [MA1] (A) (20)
Dr. Katja Bammel, Cagliari, I [KB2] (A) (13)
Doz. Dr. Hans-Georg Bartel, Berlin [HGB] (A) (02)
Steffen Bauer, Karlsruhe [SB2] (A) (20, 22)
Dr. Günther Beikert, Viernheim [GB1] (A) (04, 10, 25)
Prof. Dr. Hans Berckhemer, Frankfurt [HB1] (A, B) (29)
Dr. Werner Biberacher, Garching [WB] (B) (20)
Prof. Tamás S. Biró, Budapest [TB2] (A) (15)
Prof. Dr. Helmut Bokemeyer, Darmstadt [HB2] (A, B) (18)
Dr. Ulf Borgeest, Hamburg [UB2] (A) (Essay Quasare)
Dr. Thomas Bührke, Leimen [TB] (A) (32)
Jochen Büttner, Berlin [JB] (A) (02)
Dr. Matthias Delbrück, Dossenheim [MD] (A) (12, 24, 29)
Karl Eberl, Stuttgart [KE] (A) (Essay Molekularstrahlepitaxie)
Dr. Dietrich Einzel, Garching [DE] (A) (20)
Dr. Wolfgang Eisenberg, Leipzig [WE] (A) (15)
Dr. Frank Eisenhaber, Wien [FE] (A) (27)
Dr. Roger Erb, Kassel [RE1] (A) (33; Essay Optische Erscheinungen der Atmosphäre)
Dr. Christian Eurich, Bremen [CE] (A) (Essay Neuronale Netze)
Dr. Angelika Fallert-Müller, Groß-Zimmern [AFM] (A) (16, 26)
Stephan Fichtner, Heidelberg [SF] (A) (31)
Dr. Thomas Filk, Freiburg [TF3] (A) (10, 15; Essay Perkolationstheorie)
Natalie Fischer, Walldorf [NF] (A) (32)
Dr. Harald Fuchs, Münster [HF] (A) (Essay Rastersondenmikroskopie)
Dr. Thomas Fuhrmann, Mannheim [TF1] (A) (14)
Christian Fulda, Hannover [CF] (A) (07)
Dr. Harald Genz, Darmstadt [HG1] (A) (18)
Michael Gerding, Kühlungsborn [MG2] (A) (13)
Prof. Dr. Gerd Graßhoff, Bern [GG] (A) (02)
Andrea Greiner, Heidelberg [AG1] (A) (06)
Uwe Grigoleit, Weinheim [UG] (A) (13)
Prof. Dr. Michael Grodzicki, Salzburg [MG1] (B) (01, 16)
Gunther Hadwich, München [GH] (A) (20)
Dr. Andreas Heilmann, Halle [AH1] (A) (20, 21)
Carsten Heinisch, Kaiserslautern [CH] (A) (03)
Dr. Christoph Heinze, Hamburg [CH3] (A) (29)
Dr. Marc Hemberger, Heidelberg [MH2] (A) (19)
Florian Herold, München [FH] (A) (20)
Dr. Hermann Hinsch, Heidelberg [HH2] (A) (22)
Priv.-Doz. Dr. Dieter Hoffmann, Berlin [DH2] (A, B) (02)
Dr. Georg Hoffmann, Gif-sur-Yvette, FR [GH1] (A) (29)
Dr. Gert Jacobi, Hamburg [GJ] (B) (09)
Renate Jerecic, Heidelberg [RJ] (A) (28)
Dr. Catherine Journet, Stuttgart [CJ] (A) (Essay Nanoröhrchen)
Prof. Dr. Josef Kallrath, Ludwigshafen, [JK] (A) (04; Essay Numerische Methoden in der Physik)
Priv.-Doz. Dr. Claus Kiefer, Freiburg [CK] (A) (14, 15; Essay Quantengravitation)
Richard Kilian, Wiesbaden [RK3] (22)
Dr. Ulrich Kilian, Heidelberg [UK] (A) (19)
Dr. Uwe Klemradt, München [UK1] (A) (20, Essay Phasenübergänge und kritische Phänomene)
Dr. Achim Knoll, Karlsruhe [AK1] (A) (20)
Dr. Alexei Kojevnikov, College Park, USA [AK3] (A) (02)
Dr. Berndt Koslowski, Ulm [BK] (A) (Essay Ober- und Grenzflächenphysik)
Dr. Bernd Krause, München [BK1] (A) (19)
Dr. Jens Kreisel, Grenoble [JK2] (A) (20)
Dr. Gero Kube, Mainz [GK] (A) (18)
Ralph Kühnle, Heidelberg [RK1] (A) (05)
Volker Lauff, Magdeburg [VL] (A) (04)
Priv.-Doz. Dr. Axel Lorke, München [AL] (A) (20)
Dr. Andreas Markwitz, Lower Hutt, NZ [AM1] (A) (21)
Holger Mathiszik, Celle [HM3] (A) (29)
Dr. Dirk Metzger, Mannheim [DM] (A) (07)
Prof. Dr. Karl von Meyenn, München [KVM] (A) (02)
Dr. Rudi Michalak, Augsburg [RM1] (A) (23)
Helmut Milde, Dresden [HM1] (A) (09)
Günter Milde, Dresden [GM1] (A) (12)
Marita Milde, Dresden [MM2] (A) (12)
Dr. Andreas Müller, Kiel [AM2] (A) (33)
Dr. Nikolaus Nestle, Leipzig [NN] (A, B) (05, 20; Essays Molekularstrahlepitaxie, Ober- und Grenzflächenphysik und Rastersondenmikroskopie)
Dr. Thomas Otto, Genf [TO] (A) (06)
Dr. Ulrich Parlitz, Göttingen [UP1] (A) (11)
Christof Pflumm, Karlsruhe [CP] (A) (06, 08)
Dr. Oliver Probst, Monterrey, Mexico [OP] (A) (30)
Dr. Roland Andreas Puntigam, München [RAP] (A) (14)
Dr. Andrea Quintel, Stuttgart [AQ] (A) (Essay Nanoröhrchen)
Dr. Gunnar Radons, Mannheim [GR1] (A) (01, 02, 32)
Dr. Max Rauner, Weinheim [MR3] (A) (15; Essay Quanteninformatik)
Robert Raussendorf, München [RR1] (A) (19)
Ingrid Reiser, Manhattan, USA [IR] (A) (16)
Dr. Uwe Renner, Leipzig [UR] (A) (10)
Dr. Ursula Resch-Esser, Berlin [URE] (A) (21)
Dr. Peter Oliver Roll, Ingelheim [OR1] (A, B) (15; Essay Quantenmechanik und ihre Interpretationen)
Prof. Dr. Siegmar Roth, Stuttgart [SR] (A) (Essay Nanoröhrchen)
Hans-Jörg Rutsch, Walldorf [HJR] (A) (29)
Dr. Margit Sarstedt, Leuven, B [MS2] (A) (25)
Rolf Sauermost, Waldkirch [RS1] (A) (02)
Matthias Schemmel, Berlin [MS4] (A) (02)
Michael Schmid, Stuttgart [MS5] (A) (Essay Nanoröhrchen)
Dr. Martin Schön, Konstanz [MS] (A) (14)
Jörg Schuler, Taunusstein [JS1] (A) (06, 08)
Dr. Joachim Schüller, Dossenheim [JS2] (A) (10)
Richard Schwalbach, Mainz [RS2] (A) (17)
Prof. Dr. Paul Steinhardt, Princeton, USA [PS] (A) (Essay Quasikristalle und Quasi-Elementarzellen)
Prof. Dr. Klaus Stierstadt, München [KS] (B)
Dr. Siegmund Stintzing, München [SS1] (A) (22)
Cornelius Suchy, Brüssel [CS2] (A) (20)
Dr. Volker Theileis, München [VT] (A) (20)
Prof. Dr. Gerald 't Hooft, Utrecht, NL [GT2] (A) (Essay Renormierung)
Dr. Annette Vogt, Berlin [AV] (A) (02)
Dr. Thomas Volkmann, Köln [TV] (A) (20)
Rolf vom Stein, Köln [RVS] (A) (29)
Patrick Voss-de Haan, Mainz [PVDH] (A) (17)
Dr. Thomas Wagner, Heidelberg [TW2] (A) (29)
Dr. Hildegard Wasmuth-Fries, Ludwigshafen [HWF] (A) (26)
Manfred Weber, Frankfurt [MW1] (A) (28)
Priv.-Doz. Dr. Burghard Weiss, Lübeck [BW2] (A) (02)
Prof. Dr. Klaus Winter, Berlin [KW] (A) (Essay Neutrinophysik)
Dr. Achim Wixforth, München [AW1] (A) (20)
Dr. Steffen Wolf, Berkeley, USA [SW] (A) (16)
Priv.-Doz. Dr. Jochen Wosnitza, Karlsruhe [JW] (A) (23; Essay Organische Supraleiter)
Priv.-Doz. Dr. Jörg Zegenhagen, Stuttgart [JZ3] (A) (21; Essay Oberflächenrekonstruktionen)
Dr. Kai Zuber, Dortmund [KZ] (A) (19)
Dr. Werner Zwerger, München [WZ] (A) (20)

Mitarbeiter Band V

Dr. Ulrich Kilian (verantwortlich)
Christine Weber

Redaktionsassistenz:

Matthias Beurer

Physikhistorische Beratung:

Priv.-Doz. Dr. Dieter Hoffmann, Berlin

Autoren (A) und Berater (B):

In eckigen Klammern steht das Autorenkürzel, die Zahl in der runden Klammer ist die Fachgebietsnummer; eine Liste der Fachgebiete findet sich im Vorwort.

Prof. Dr. Klaus Andres, Garching [KA] (A) (10)
Markus Aspelmeyer, München [MA1] (A) (20)
Dr. Katja Bammel, Cagliari, I [KB2] (A) (13)
Doz. Dr. Hans-Georg Bartel, Berlin [HGB] (A) (02)
Steffen Bauer, Karlsruhe [SB2] (A) (20, 22)
Dr. Günther Beikert, Viernheim [GB1] (A) (04, 10, 25)
Prof. Dr. Hans Berckhemer, Frankfurt [HB1] (A, B) (29; Essay Seismologie)
Dr. Werner Biberacher, Garching [WB] (B) (20)
Prof. Tamás S. Biró, Budapest [TB2] (A) (15)
Prof. Dr. Helmut Bokemeyer, Darmstadt [HB2] (A, B) (18)
Dr. Thomas Bührke, Leimen [TB] (A) (32)
Jochen Büttner, Berlin [JB] (A) (02)
Dr. Matthias Delbrück, Dossenheim [MD] (A) (12, 24, 29)
Prof. Dr. Martin Dressel, Stuttgart (A) (Essay Spindichtewellen)
Dr. Michael Eckert, München [ME] (A) (02)
Dr. Dietrich Einzel, Garching (A) (Essay Supraleitung und Suprafluidität)
Dr. Wolfgang Eisenberg, Leipzig [WE] (A) (15)
Dr. Frank Eisenhaber, Wien [FE] (A) (27)
Dr. Roger Erb, Kassel [RE1] (A) (33)
Dr. Angelika Fallert-Müller, Groß-Zimmern [AFM] (A) (16, 26)
Stephan Fichtner, Heidelberg [SF] (A) (31)
Dr. Thomas Filk, Freiburg [TF3] (A) (10, 15)
Natalie Fischer, Walldorf [NF] (A) (32)
Dr. Thomas Fuhrmann, Mannheim [TF1] (A) (14)
Christian Fulda, Hannover [CF] (A) (07)
Frank Gabler, Frankfurt [FG1] (A) (22)
Dr. Harald Genz, Darmstadt [HG1] (A) (18)
Prof. Dr. Henning Genz, Karlsruhe [HG2] (A) (Essays Symmetrie und Vakuum)
Dr. Michael Gerding, Potsdam [MG2] (A) (13)
Andrea Greiner, Heidelberg [AG1] (A) (06)
Uwe Grigoleit, Weinheim [UG] (A) (13)
Gunther Hadwich, München [GH] (A) (20)
Dr. Andreas Heilmann, Halle [AH1] (A) (20, 21)
Carsten Heinisch, Kaiserslautern [CH] (A) (03)
Dr. Marc Hemberger, Heidelberg [MH2] (A) (19)
Dr. Sascha Hilgenfeldt, Cambridge, USA (A) (Essay Sonolumineszenz)
Dr. Hermann Hinsch, Heidelberg [HH2] (A) (22)
Priv.-Doz. Dr. Dieter Hoffmann, Berlin [DH2] (A, B) (02)
Dr. Gert Jacobi, Hamburg [GJ] (B) (09)
Renate Jerecic, Heidelberg [RJ] (A) (28)
Prof. Dr. Josef Kallrath, Ludwigshafen [JK] (A) (04)
Priv.-Doz. Dr. Claus Kiefer, Freiburg [CK] (A) (14, 15)
Richard Kilian, Wiesbaden [RK3] (22)
Dr. Ulrich Kilian, Heidelberg [UK] (A) (19)
Thomas Kluge, Jülich [TK] (A) (20)
Dr. Achim Knoll, Karlsruhe [AK1] (A) (20)
Dr. Alexei Kojevnikov, College Park, USA [AK3] (A) (02)
Dr. Bernd Krause, München [BK1] (A) (19)
Dr. Gero Kube, Mainz [GK] (A) (18)
Ralph Kühnle, Heidelberg [RK1] (A) (05)
Volker Lauff, Magdeburg [VL] (A) (04)
Dr. Anton Lerf, Garching [AL1] (A) (23)
Dr. Detlef Lohse, Twente, NL (A) (Essay Sonolumineszenz)
Priv.-Doz. Dr. Axel Lorke, München [AL] (A) (20)
Prof. Dr. Jan Louis, Halle (A) (Essay Stringtheorie)
Dr. Andreas Markwitz, Lower Hutt, NZ [AM1] (A) (21)
Holger Mathiszik, Celle [HM3] (A) (29)
Dr. Dirk Metzger, Mannheim [DM] (A) (07)
Dr. Rudi Michalak, Dresden [RM1] (A) (23; Essay Tieftemperaturphysik)
Günter Milde, Dresden [GM1] (A) (12)
Helmut Milde, Dresden [HM1] (A) (09)
Marita Milde, Dresden [MM2] (A) (12)
Prof. Dr. Andreas Müller, Trier [AM2] (A) (33)
Prof. Dr. Karl Otto Münnich, Heidelberg (A) (Essay Umweltphysik)
Dr. Nikolaus Nestle, Leipzig [NN] (A, B) (05, 20)
Dr. Thomas Otto, Genf [TO] (A) (06)
Priv.-Doz. Dr. Ulrich Parlitz, Göttingen [UP1] (A) (11)
Christof Pflumm, Karlsruhe [CP] (A) (06, 08)
Dr. Oliver Probst, Monterrey, Mexico [OP] (A) (30)
Dr. Roland Andreas Puntigam, München [RAP] (A) (14)
Dr. Gunnar Radons, Mannheim [GR1] (A) (01, 02, 32)
Dr. Max Rauner, Weinheim [MR3] (A) (15)
Robert Raussendorf, München [RR1] (A) (19)
Ingrid Reiser, Manhattan, USA [IR] (A) (16)
Dr. Uwe Renner, Leipzig [UR] (A) (10)
Dr. Ursula Resch-Esser, Berlin [URE] (A) (21)
Dr. Peter Oliver Roll, Ingelheim [OR1] (A, B) (15)
Hans-Jörg Rutsch, Walldorf [HJR] (A) (29)
Rolf Sauermost, Waldkirch [RS1] (A) (02)
Matthias Schemmel, Berlin [MS4] (A) (02)
Prof. Dr. Erhard Scholz, Wuppertal [ES] (A) (02)
Dr. Martin Schön, Konstanz [MS] (A) (14; Essay Spezielle Relativitätstheorie)
Dr. Erwin Schuberth, Garching [ES4] (A) (23)
Jörg Schuler, Taunusstein [JS1] (A) (06, 08)
Dr. Joachim Schüller, Dossenheim [JS2] (A) (10)
Richard Schwalbach, Mainz [RS2] (A) (17)
Prof. Dr. Klaus Stierstadt, München [KS] (B)
Dr. Siegmund Stintzing, München [SS1] (A) (22)
Dr. Berthold Suchan, Gießen [BS] (A) (Essay Wissenschaftsphilosophie)
Cornelius Suchy, Brüssel [CS2] (A) (20)
Dr. Volker Theileis, München [VT] (A) (20)
Prof. Dr. Stefan Theisen, München (A) (Essay Stringtheorie)
Dr. Annette Vogt, Berlin [AV] (A) (02)
Dr. Thomas Volkmann, Köln [TV] (A) (20)
Rolf vom Stein, Köln [RVS] (A) (29)
Dr. Patrick Voss-de Haan, Mainz [PVDH] (A) (17)
Dr. Thomas Wagner, Heidelberg [TW2] (A) (29)
Manfred Weber, Frankfurt [MW1] (A) (28)
Dr. Martin Werner, Hamburg [MW] (A) (29)
Dr. Achim Wixforth, München [AW1] (A) (20)
Dr. Steffen Wolf, Berkeley, USA [SW] (A) (16)
Dr. Stefan L. Wolff, München [SW1] (A) (02)
Priv.-Doz. Dr. Jochen Wosnitza, Karlsruhe [JW] (A) (23)
Dr. Kai Zuber, Dortmund [KZ] (A) (19)
Dr. Werner Zwerger, München [WZ] (A) (20)

Schreiben Sie uns!

Wenn Sie inhaltliche Anmerkungen zu diesem Artikel haben, können Sie die Redaktion per E-Mail informieren. Wir lesen Ihre Zuschrift, bitten jedoch um Verständnis, dass wir nicht jede beantworten können.

Partnerinhalte

Bitte erlauben Sie Javascript, um die volle Funktionalität von Spektrum.de zu erhalten.