Lexikon der Mathematik: DES
Data Encryption Standard, Standard des US-amerikanischen Standardisierungsinstituts NIST, in dem das gleichnamige symmetrische Verschlüsselungsverfahren bereits 1978 standardisiert wurde.
Der DES ist eine weit verbreitetete 64-BitBlockchiffre mit einem 56-Bit-Schlüssel K. Durch diese kurze Schlüssellänge ist dieses Verfahren heute nicht mehr sicher und kann durch brute force gebrochen werden (Rekord 1999: in 22 Stunden). Durch dreimalige Anwendung kann jedoch mit Hilfe des DES ein gegenwärtig (1999) sicheres Verfahren, der Triple-DES (3DES), konstruiert werden. Dazu werden drei unabhängige Schlüssel benötigt, so daß die effektive Schlüssellänge auf 168 Bit anwächst:
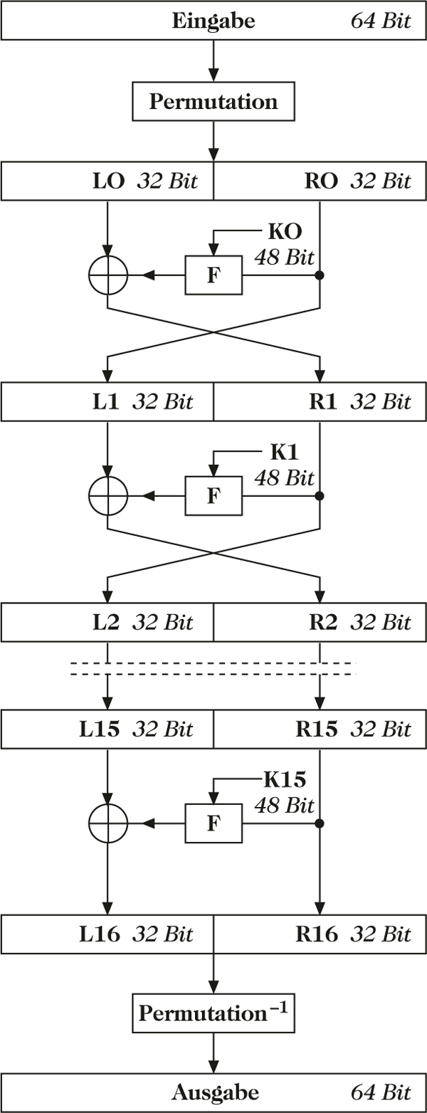
Der DES-Algorithmus besteht aus 16 Runden, deren Kernstück die nichtlineare Abbildung F ist. Die verwendeten Schlüssel K0, K1, …, K15, die aus jeweils 48 Bit bestehen, werden aus dem 56-Bit Schlüssel K abgeleitet. Zum Entschlüsseln kann durch besondere Rundenstruktur der gleiche Algorithmus unter Verwendung der Schlüssel K15, K14, …, K0 in umgekehrter Reihenfolge benutzt werden.
Schematische Darstellung des DES

Wenn Sie inhaltliche Anmerkungen zu diesem Artikel haben, können Sie die Redaktion per E-Mail informieren. Wir lesen Ihre Zuschrift, bitten jedoch um Verständnis, dass wir nicht jede beantworten können.